Description
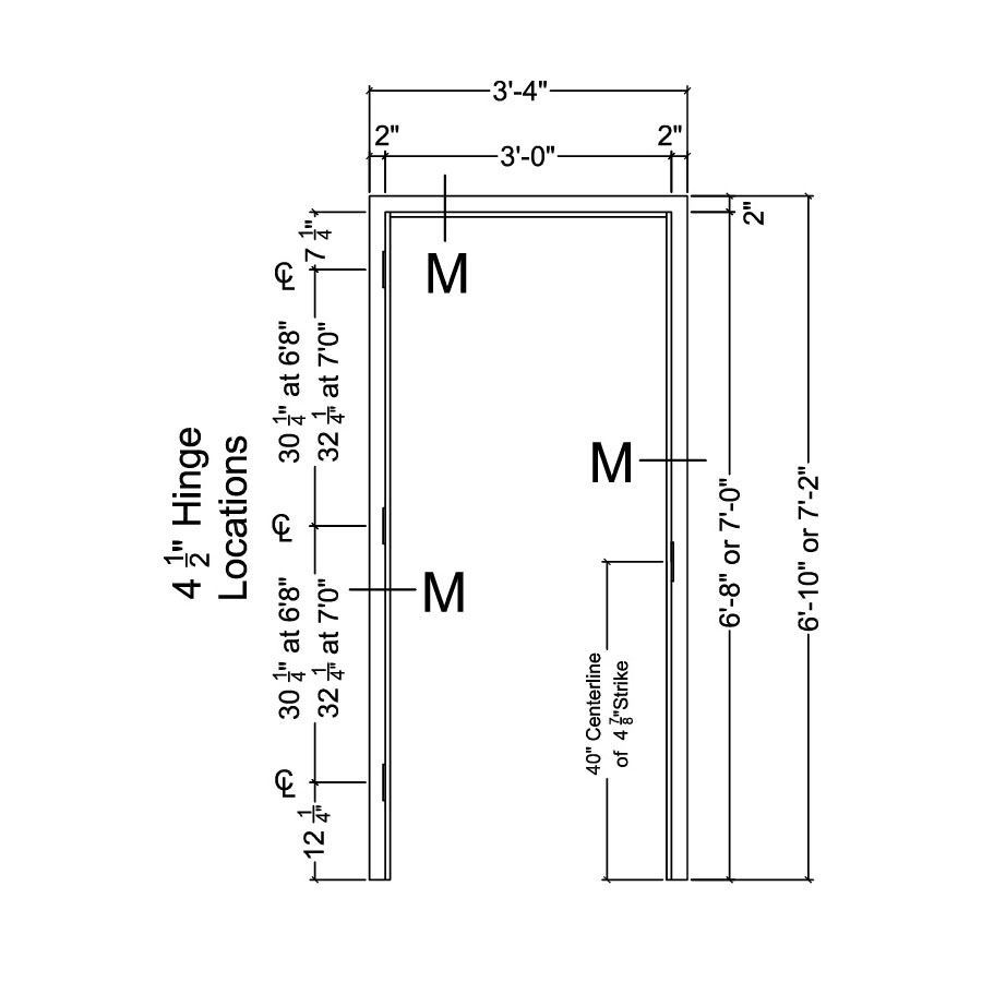
Frames are for 1-3/4″ thick doors for existing walls at least 5-3/4″ thick: 16 Gauge, A60 Galvanneal, face welded with existing wall anchors, prepared for three (3) 4-1/2″ hinges, a 4-7/8″ ASA Strike, and closer reinforced.
Click here for installation instructions.
Additional resources can be found at www.steeldoor.org
Custom Orders
If you require custom sizing, please email you requirements along with plans and specifications to [email protected]. Typical quote times for custom frames are 10 to 15 working days.





